86-0755-27838351
頻率:32.768KHZ
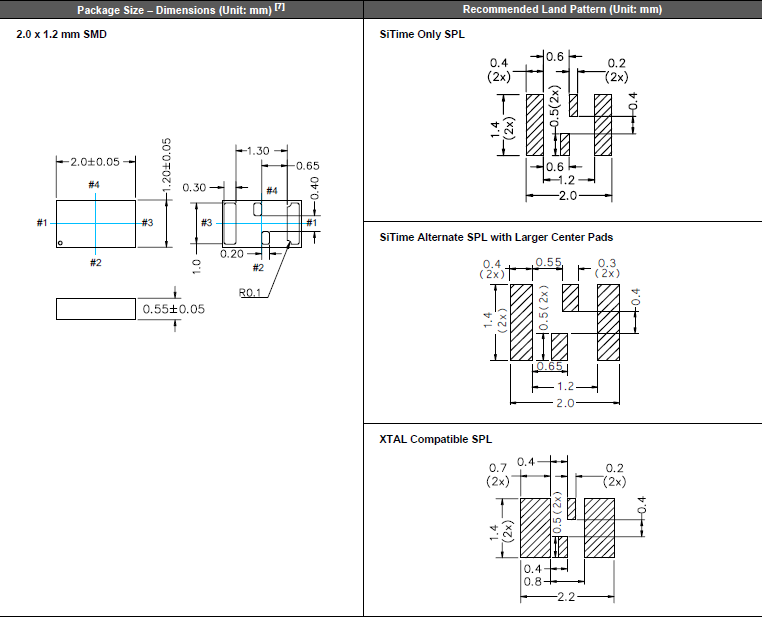
尺寸:2.0*1.2*0.55mm
32.768K有源晶振,是只晶體本身起振需要外部電壓供應,起振后可直接驅動CMOS集成電路,產品本身已實現與薄型IC(TSSOP封裝,TVSOP封裝)同樣的1mm厚度,斷開時的消費電流是15µA以下,編帶包裝方式可對應自動搭載及IR回流焊接(無鉛對應)產品有幾種電壓供選1.8V,2.5V,3V3.3V,5V,以應對不同IC產品需要.
Sitime晶振,有源晶體振蕩器,SiT1533進口晶振.貼片式石英晶體振蕩器,低電壓啟動功率,并且有多種電壓供選擇,比如有1.8V,2.5V,3.3V,3.8V,5V等,產品被廣泛應用于,平板筆記本,GPS系統,光纖通道,千兆以太網,串行ATA,串行連接SCSI,PCI-Express的SDH/SONET發射基站等領域.符合RoHS/無鉛.
SiTime的MEMS技術起源于博世和斯坦福大學.在我們的創始人創立Sitime晶振之前,他們花了數年時間,在德國的博世和加州的帕洛阿爾托研發挽救生命的MEMS解決方案.自2005年成立以來,SiTime公司開發了幾代先進的kHz和MHz MEMS諧振器,它們具有最高的性能、最小的漂移、最小的尺寸和最好的可靠性.我們還開發了一個全面的開發和仿真平臺,確保了我們所有MEMS諧振器的第一個硅成功.SiTime的MEMS諧振器不僅在我們銷售的每一個產品中都有,其他半導體公司也集成了SiTime的MEMS諧振器在它們的SOCs中,提供獨特的、大容量的解決方案,不需要外部時鐘.
有源晶振高頻振蕩器使用IC與晶片設計匹配技術:有源低功耗晶振是高頻振蕩器研發及生產過程必須要解決的技術難題.在設計過程中除了要考慮石英晶體諧振器具有的電性外,還有石英晶體振蕩器的電極設計等其它的特殊性,必須考慮石英晶體振蕩器的供應電壓、起動電壓和產品上升時間、下降時間等相關參數.
Sitime晶振 |
SiT1533晶振 |
輸出類型 |
LVCMOS |
輸出負載 |
15pF |
振蕩模式 |
基本/第三泛音 |
電源電壓 |
+1.5V~+3.63V |
頻率范圍 |
32.768KHZ |
頻率 |
20ppm |
工作溫度 |
-10℃~+70℃ -40℃~+85℃ |
保存溫度 |
-65℃~+150℃ |
電壓卷(最大值)/ VOH(最小值) |
0.1 VDD / 0.9 VDD |
啟動時間 |
5 ms Max |
相位抖動(12兆赫~20兆赫) |
1個PS最大 |
老化率 |
±3 ppm /年最大 |
電處理:
將電源連接到有源晶振指定的終端,確定正確的極性這目錄所示.注意電源的正負電極逆轉或者連接到一個終端以,以為外的指定一個產品部分內的石英32.768K晶振,假如損壞那將不會工作.此外如果外接電源電壓高于晶振的規定電壓值,就很可能會導致石英晶振產品損壞.所以外接電壓很重要,一定要確保使用正確的額定電壓的振蕩,但如果電壓低于額定的電壓值部分產品將會不起振,或者起不到最佳精度.
機械處理
當有源晶振發生外置撞擊時,任何石英晶體振蕩器在遭到外部撞擊時,或者產品不小心跌落時,強烈的外置撞擊都將會導致晶振損壞,或者頻率不穩定現象.不執行任何強烈的沖擊石英晶體振蕩器.如果一個強大的沖擊已給振蕩器確保在使用前檢查其特點.
輸出負載
建議將石英晶振輸出負載安裝在盡可能靠近振蕩器的地方(在20 mm范圍之間).
未用輸入終端的處理
未用針腳可能會引起噪聲響應,從而導致非正常工作.同時,當P通道和N通道都處于打開時,電源功率消耗也會增加;因此,請將未用輸入終端連接到VCC 或GND.
熱影響
重復的溫度巨大變化可能會降低受損害的石英耐高溫晶振產品特性,并導致塑料封裝里的線路擊穿.必須避免這種情況.
電話:+86-0755-278383514
手機:138-2330-0879
QQ:632862232
地址:廣東深圳市寶安寶安大道東95號浙商銀行大廈1905